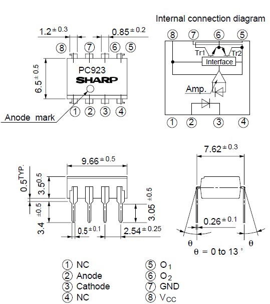
Product Summary
The PC923 is a High Speed Photocoupler for MOS-FET / IGBT Drive. It is used in inverter controlled air conditioners.
Parametrics
PC923 absolute maximum ratings: (1)Input Forward current IF: 20 mA; (2)Input Reverse voltage VR: 6 V; (3)Output Supply voltage VCC: 35 V; (4)Output current I1: 0.1 A; (5)Total power dissipation Ptot: 550 mW; (6)Isolation voltage Viso: 5000 Vrms; (7)Operating temperature Topr: - 25 to + 80 ℃; (8)Storage temperature Tstg: - 55 to + 125 ℃; (9)Soldering temperature Tsol: 260 ℃.
Features
PC923 features: (1)Built-in direct drive circuit for MOS-FET/IGBT drive; (2)High speed response; (3)Wide operating supply voltage range; (4)High noise reduction type; (5)Recognized by UL, file No. E64380; (6)High isolation voltage between input.
Diagrams

| Image | Part No | Mfg | Description | ![]() |
Pricing (USD) |
Quantity | ||||
|---|---|---|---|---|---|---|---|---|---|---|
![]() |
![]() PC923 |
![]() Other |
![]() |
![]() Data Sheet |
![]() Negotiable |
|
||||
![]() |
![]() PC923L0NIP0F |
![]() Sharp Microelectronics |
![]() High Speed Optocouplers Gull Wing SMT Hi Speed 15Mb/s |
![]() Data Sheet |
![]() Negotiable |
|
||||
![]() |
![]() PC923L0NSZ0F |
![]() Sharp Microelectronics |
![]() High Speed Optocouplers Photocoupler Hi Speed MOSFET/IGBT |
![]() Data Sheet |
![]() Negotiable |
|
||||
![]() |
![]() PC923L0YSZ0F |
![]() Sharp Microelectronics |
![]() High Speed Optocouplers VDE Approved PC923L0NSZ0F |
![]() Data Sheet |
![]() Negotiable |
|
||||
![]() |
![]() PC923X |
![]() |
![]() PHOTOCOUPLER OPIC 8-DIP |
![]() Data Sheet |
![]() Negotiable |
|
||||
![]() |
![]() PC923X11 |
![]() |
![]() PHOTOCOUPLER OPIC INVERTED 8-DIP |
![]() Data Sheet |
![]() Negotiable |
|
||||
![]() |
![]() PC923XI |
![]() |
![]() PHOTOCOUPLER OPIC 8-SMD |
![]() Data Sheet |
![]() Negotiable |
|
||||
(China (Mainland))











