Product Summary
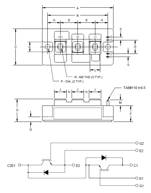
Mitsubishi IGBT Module CM200DY-12E is designed for use in switching applications. The CM200DY-12E consists of two IGBTs in a half-bridge configuration with each transistor having a reverse-connected super-fast recovery free-wheel diode. The component and interconnect of the CM200DY-12E are isolated from the heat sinking baseplate, offering simplified system assembly and thermal management.
Parametrics
CM200DY-12E absolute maximum ratings: (1)Junction Temperature Tj: –40 to 150 ℃; (2)Storage Temperature Tstg: –40 to 125 ℃; (3)Collector-Emitter Voltage (G-E SHORT) VCES: 600 Volts; (4)Gate-Emitter Voltage (C-E SHORT) VGES: ±20 Volts; (5)Collector Current (TC = 25℃) IC: 200 Amperes; (6)Peak Collector Current ICM: 400 Amperes; (7)Emitter Current (TC = 25℃) IE: 200 Amperes; (8)Peak Emitter Current IEM: 400 Amperes; (9)Maximum Collector Dissipation (TC = 25℃, Tj ≤ 150℃) Pc: 780 Watts; (10)Mounting Torque, M5 Main Terminal: – 1.47 ~ 1.96 N m; (11)Mounting Torque, M6 Mounting: – 1.96 ~ 2.94 Nm; (12)Weight: –270 Grams; (13)Isolation Voltage (Main Terminal to Baseplate, AC 1 min.) Viso 2500 Vrms.
Features
CM200DY-12E features: (1)Low Drive Power; (2)Low VCE(sat); (3)Discrete Super-Fast Recovery Free-Wheel Diode; (4)High Frequency Operation; (5)Isolated Baseplate for Easy Heat Sinking.
Diagrams

![]() |
![]() CM2006 |
![]() Other |
![]() |
![]() Data Sheet |
![]() Negotiable |
|
||||||||||||
![]() |
![]() CM2006-02QR |
![]() ON Semiconductor |
![]() Video ICs VGA Port Monitor |
![]() Data Sheet |
![]()
|
|
||||||||||||
![]() |
![]() CM2009 |
![]() Other |
![]() |
![]() Data Sheet |
![]() Negotiable |
|
||||||||||||
![]() |
![]() CM2009-00QR |
![]() ON Semiconductor |
![]() Video ICs VGA Port Circuit 55 Ohm |
![]() Data Sheet |
![]()
|
|
||||||||||||
![]() |
![]() CM2009-02QR |
![]() ON Semiconductor |
![]() Video ICs VGA Port Circuit 15 Ohm |
![]() Data Sheet |
![]()
|
|
||||||||||||
![]() |
![]() CM200C-32.768KAZF-UT |
![]() Citizen |
![]() Crystals 32.768K 30ppm 12.5pF |
![]() Data Sheet |
![]()
|
|
||||||||||||
(China (Mainland))










