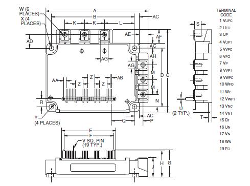
Product Summary
The PM100RLA120 is an isolated base module designed for power switching applications operating at frequencies to 20kHz. Built-in control circuit provide optimum gate drive and protection for the IGBT and free-wheel diode power device. The applications of the PM100RLA120 include inverters, UPS, motion/servo control, power supplies.
Parametrics
PM100RLA120 absolute maximum ratings: (1)Power device junction temperature, Tj: -20 to 150 ℃; (2)Storage temperature, Tstg: -40 to 125℃; (3)Module case operating temperature (Note 1), TC: -20 to 100 ℃; (4)Mounting torque, M5 mounting screws: 31 in-lb; (5)Mounting torque, M5 main terminal screws: 31 in-lb; (6)Module weight (typical): 800 Grams; (7)Supply voltage, surge (applied between P - N), VCC(surge): 1000 Volts; (8)Self-protection Supply voltage limit (short circuit protection capability), VCC(prot.): 800 Volts; (9)Isolation voltage, AC 1 minute, 60Hz sinusoidal, VISO: 2500 Volts.
Features
PM100RLA120 features: (1)Complete output power circuit; (2)Gate drive circuit; (3)Protection logic: short circuit; over temperature using on-chip temperature sensing; under voltage; (4)Low loss using 5th generation IGBT chip.
Diagrams

| Image | Part No | Mfg | Description | ![]() |
Pricing (USD) |
Quantity | ||||||||||||
|---|---|---|---|---|---|---|---|---|---|---|---|---|---|---|---|---|---|---|
![]() |
![]() PM100RLA120 |
![]() |
![]() MOD IPM L-SER 7PAC 1200V 100A |
![]() Data Sheet |
![]()
|
|
||||||||||||
| Image | Part No | Mfg | Description | ![]() |
Pricing (USD) |
Quantity | ||||||||||||
![]() |
![]() PM1000G1 |
![]() Anderson Power Products |
![]() Heavy Duty Power Connectors CRIMP TOOL 4 INDENT |
![]() Data Sheet |
![]()
|
|
||||||||||||
![]() |
![]() PM1002G1 |
![]() Anderson Power Products |
![]() Heavy Duty Power Connectors INSERTION TOOL TOOL |
![]() Data Sheet |
![]()
|
|
||||||||||||
![]() |
![]() PM1003G1 |
![]() Anderson Power Products |
![]() Heavy Duty Power Connectors EXTRACTION TOOL TOOL |
![]() Data Sheet |
![]()
|
|
||||||||||||
![]() |
![]() PM1008-100K |
![]() J.W. Miller |
![]() RF Inductors 10uH 10% |
![]() Data Sheet |
![]() Negotiable |
|
||||||||||||
![]() |
![]() PM1008-100K-RC |
![]() J.W. Miller |
![]() RF Inductors 10uH 10% |
![]() Data Sheet |
![]()
|
|
||||||||||||
![]() |
![]() PM1008-10NM |
![]() J.W. Miller |
![]() RF Inductors 10nH 20% |
![]() Data Sheet |
![]() Negotiable |
|
||||||||||||
(China (Mainland))













