Product Summary
The STK412-040 is a 150w two-channel shift power supply audio power amplifier IC which is produced by Sanyo. The STK412-040 provides high efficiency audio power amplification by controlling (switching) the supply voltage supplied to the power transistors according to the detected level of the input audio signal.
Parametrics
STK412-040 absolute maximum ratings: (1)Maximum supply voltage(no signal): ±69V; (2)Maximum supply voltage 2 (signal present), RL = 8, 6Ω: ±62 V; (3)Maximum supply voltage 3 (signal present), RL = 4Ω: ±49 V; (4)Maximum supply voltage 1 (no signal): ±44 V; (5)Maximum supply voltage 2 (signal present): RL = 8, 6Ω: ±40 V; (6)Maximum supply voltage 3 (signal present), RL = 4 Ω: ±30 V; (7)Operating IC substrate temperature: 125℃; (8)Storage temperature:–30 to +125℃.
Features
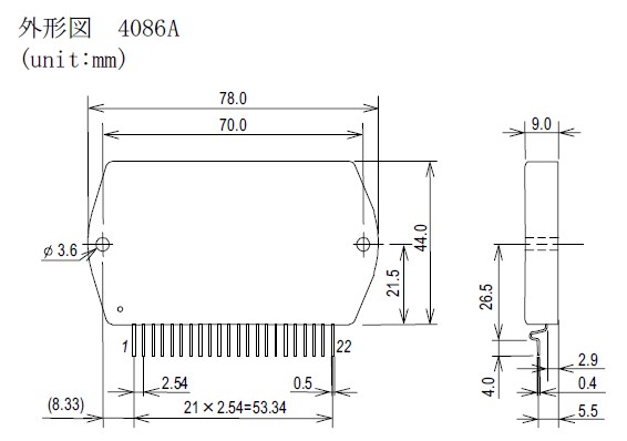
STK412-040 features: (1)Pin compatible IC series that covers power ratings from 50 W ×2 channels to 180 W ×2 channels at 0.7 or 0.8% THD, 20 Hz to 20 kHz. This allows the use of a common PCB for all output classes; (2)The pin arrangement is also unified with that of the three-channel STK413-000 series. This means that PCBs designed for three-channel models can also be used for two-channel models; (3)Miniature package: 50 W/ch to 120 W/ch (THD = 0.8%, f = 20 Hz to 20 kHz): 64 ×36.5×8.5 mm, 150 W/ch to 180 W/ch (THD = 0.7%, f = 20 Hz to 20 kHz): 78 × 44× 9 mm, Not including the IC pins; (4)Allowable load shorted time: 0.3 s.
Diagrams

![]() |
![]() STK400-010 |
![]() Other |
![]() |
![]() Data Sheet |
![]() Negotiable |
|
||||
![]() |
![]() STK400-030 |
![]() Other |
![]() |
![]() Data Sheet |
![]() Negotiable |
|
||||
![]() |
![]() STK400-050 |
![]() Other |
![]() |
![]() Data Sheet |
![]() Negotiable |
|
||||
![]() |
![]() STK400-060 |
![]() Other |
![]() |
![]() Data Sheet |
![]() Negotiable |
|
||||
![]() |
![]() STK400-070 |
![]() Other |
![]() |
![]() Data Sheet |
![]() Negotiable |
|
||||
![]() |
![]() STK400-080 |
![]() Other |
![]() |
![]() Data Sheet |
![]() Negotiable |
|
||||
(China (Mainland))








