Product Summary
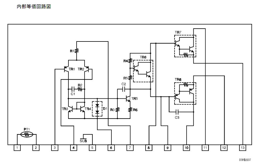
The STK404-130 is an AF power amplifier.
Parametrics
STK404-130 absolute maximum ratings: (1)maximum supply voltage: ±87 V; (2)thermal resistance: 1.2℃/W; (3)junction temperature: 150℃; (4)operating substrate temperature: 125℃; (5)storage temperature: -30 to +125℃.
Features
STK404-130 features: (1)the use of a current mirror circuit, cascode circuit, pure complementary circuit provides low distortion (THD=0.008%/100kHz LPF ON); (2)possible to design electronic supplementary circuits (pop noise muting at the time of power ON/OFF, load short protector, thermal shutdown).
Diagrams

![]() |
![]() STK400-010 |
![]() Other |
![]() |
![]() Data Sheet |
![]() Negotiable |
|
||||
![]() |
![]() STK400-030 |
![]() Other |
![]() |
![]() Data Sheet |
![]() Negotiable |
|
||||
![]() |
![]() STK400-050 |
![]() Other |
![]() |
![]() Data Sheet |
![]() Negotiable |
|
||||
![]() |
![]() STK400-060 |
![]() Other |
![]() |
![]() Data Sheet |
![]() Negotiable |
|
||||
![]() |
![]() STK400-070 |
![]() Other |
![]() |
![]() Data Sheet |
![]() Negotiable |
|
||||
![]() |
![]() STK400-080 |
![]() Other |
![]() |
![]() Data Sheet |
![]() Negotiable |
|
||||
(China (Mainland))








