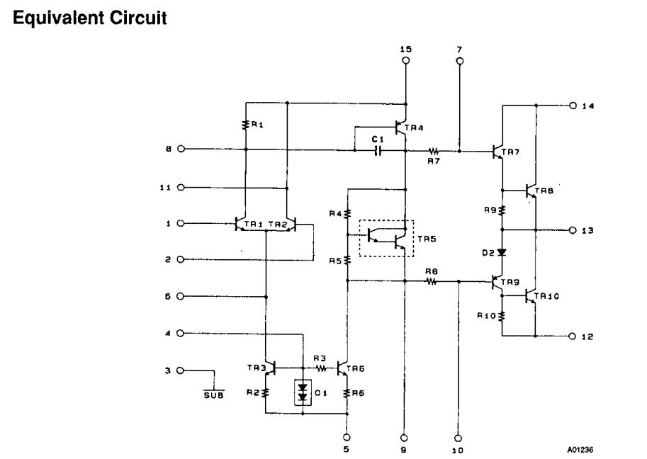
Product Summary
The PAC008A is an AF power amplifer.
Parametrics
PAC008A absolute maximum ratings: (1)maximum supply votlage, VCC max: ±73V; (2)thermal resistance, θj-c: 1.1℃/W; (3)junction temeprature, Tj: 150℃; (4)operating substreate temperature, Tc: 125℃; (5)storage temperature, Tstg: -30 to 125℃; (6)available time for load short-circuit, ts: 1s.
Features
PAC008A features: (1)compact package for thin-type audio sets; (2)member of pin-compatible series with outputs of 20 to 200W; (3)easy heatsink design to disperse heat generated in thin-type stereo sets; (4)constant-current circuit to reduce supply switch-on and switch-off shock noise; (5)external supply switch-on and switch-off shock noise muting, load short-circuit protection, thermal shutdown and other circuits can be tailored-designed.
Diagrams

![]() |
![]() PAC002SPFQ |
![]() Other |
![]() |
![]() Data Sheet |
![]() Negotiable |
|
||||||||||||
![]() |
![]() PAC004DTFQR |
![]() Other |
![]() |
![]() Data Sheet |
![]() Negotiable |
|
||||||||||||
![]() |
![]() PAC01005009FA1000 |
![]() Vishay/BC Components |
![]() Wirewound Resistors - Through Hole 1watt 50ohms 1% 100ppm |
![]() Data Sheet |
![]()
|
|
||||||||||||
(China (Mainland))








