Product Summary
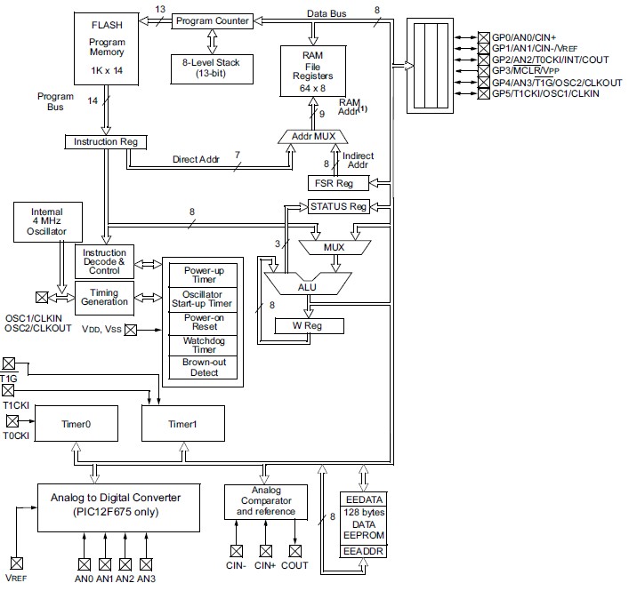
The LM18200DT is an 8-pin FLASH-based 8-bit CMOS microcontroller.
Parametrics
LM18200DT absolute maximum ratings: (1)Ambient temperature under bias: -40 to +125℃; (2)Storage temperature: -65 to +150℃; (3)Voltage on VDD with respect to VSS: -0.3 to +6.5V; (4)Voltage on MCLR with respect to Vss: -0.3 to +13.5V; (5)Voltage on all other pins with respect to VSS: -0.3V to (VDD + 0.3V); (6)Total power dissipation: 800 mW; (7)Maximum current out of VSS pin: 300 mA; (8)Maximum current into VDD pin: 250 mA; (9)Input clamp current, IIK (VI < 0 or VI > VDD): ± 20 mA.
Features
LM18200DT features: (1)Power saving SLEEP mode; (2)Wide operating voltage range - 2.0V to 5.5V; (3)Industrial and Extended temperature range; (4)Low power Power-on Reset (POR); (5)Power-up Timer (PWRT) and Oscillator Start-up; (6)Timer (OST); (7)Brown-out Detect (BOD); (8)Watchdog Timer (WDT) with independent; (9)oscillator for reliable operation; (10)Multiplexed MCLR/Input-pin; (11)Interrupt-on-pin change; (12)Individual programmable weak pull-ups; (13)Programmable code protection; (14)High Endurance FLASH/EEPROM Cell.
Diagrams

![]() |
![]() LM1815MX |
![]() National Semiconductor (TI) |
![]() Special Purpose Amplifiers |
![]() Data Sheet |
![]()
|
|
||||||||||||
![]() |
![]() LM181E1-H2MN |
![]() Other |
![]() |
![]() Data Sheet |
![]() Negotiable |
|
||||||||||||
![]() |
![]() LM185BH/NOPB |
![]() National Semiconductor (TI) |
![]() Voltage & Current References |
![]() Data Sheet |
![]()
|
|
||||||||||||
![]() |
![]() LM185BYH-1.2 |
![]() National Semiconductor (TI) |
![]() Voltage & Current References |
![]() Data Sheet |
![]()
|
|
||||||||||||
![]() |
![]() LM185H-1.2 |
![]() National Semiconductor (TI) |
![]() Voltage & Current References |
![]() Data Sheet |
![]()
|
|
||||||||||||
![]() |
![]() LM1881M/NOPB |
![]() National Semiconductor (TI) |
![]() Special Purpose Amplifiers VIDEO SYNC SEPARATOR |
![]() Data Sheet |
![]()
|
|
||||||||||||
(China (Mainland))









