Product Summary
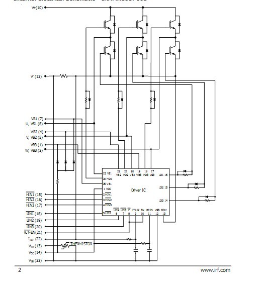
The IRAMX16UP60B is an Integrated Power Hybrid IC with Internal Shunt Resistor for Appliance Motor Drives applications such as air conditioning systems and compressor drivers as well as for light industrial application. The IRAMX16UP60B’s technology offers an extremely compact, high performance AC motor-driver in a single isolated package to simplify design. This advanced HIC is a combination of IR’s low VCE(on) Punch-Through IGBT technology and the industry benchmark 3 phase high voltage, high speed driver in a fully isolated thermally enhanced package. A built-in temperature monitor and over-current protection, along with the short-circuit rated IGBTs and integrated under-voltage lockout function, deliver high level of protection and fail-safe operation. The IRAMX16UP60B is using a Single in line package (SiP2) with full transfer mold structure minimizes PCB space and resolve isolation problems to heatsink.
Parametrics
IRAMX16UP60B absolute maximum ratings: (1)Blocking Voltage: 600 Vces; (2)IO @25℃: 16A; (3)IO @100℃: 8A; (4)Switching Frequency: 20; (5)Circuit: 3-phase Inverter Module; (6)Package: SIP-2.
Features
IRAMX16UP60B features: (1)Internal Shunt Resistor; (2)Integrated Gate Drivers and Bootstrap Diodes; (3)Temperature Monitor; (4)Low VCE(on) Non Punch Through IGBT Technology; (5)Undervoltage lockout for all channels; (6)Matched propagation delay for all channels; (7)Schmitt-triggered input logic; (8)Cross-conduction prevention logic; (9)Lower di/dt gate driver for better noise immunity; (10)Motor Power range 0.75-2.2kW / 85-253 Vac; (11)Isolation 2000VRMS min; (12)UL certification pending (UL number: E78996).
Diagrams

| Image | Part No | Mfg | Description | ![]() |
Pricing (USD) |
Quantity | ||||||||||||
|---|---|---|---|---|---|---|---|---|---|---|---|---|---|---|---|---|---|---|
![]() |
![]() IRAMX16UP60B |
![]() International Rectifier |
![]() Motor / Motion / Ignition Controllers & Drivers |
![]() Data Sheet |
![]()
|
|
||||||||||||
![]() |
![]() IRAMX16UP60B-2 |
![]() International Rectifier |
![]() Motor / Motion / Ignition Controllers & Drivers |
![]() Data Sheet |
![]()
|
|
||||||||||||
(China (Mainland))









